Тормозные диски CIFAM для Mercedes W245

Лучшие предложения запчастей для вашего автомобиля

Найдено 1 шт
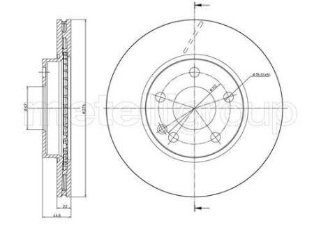
  1. 1. Тормозной диск CIFAM 800831C

    Диск гальмівної
    Производство Италия Италия
    1 278 грн
    завтра
    Сторона установки: Передняя
    Толщина тормозного диска (мм): 22
    Минимальная толщина [мм]: 19.4
    Проверочное значение: ECE R90 APPROVED
    Количество отверстий: 5
    Диаметр [мм]: 276
    фаска 2 [мм]: 67
    Высота [мм]: 44.5
    Поверхность: лакированный
    Тип тормозного диска: вентилируемый
    Выполняет нормы ЕЭК: Approved
    Наружный диаметр [мм]: 276
Не можете найти деталь?